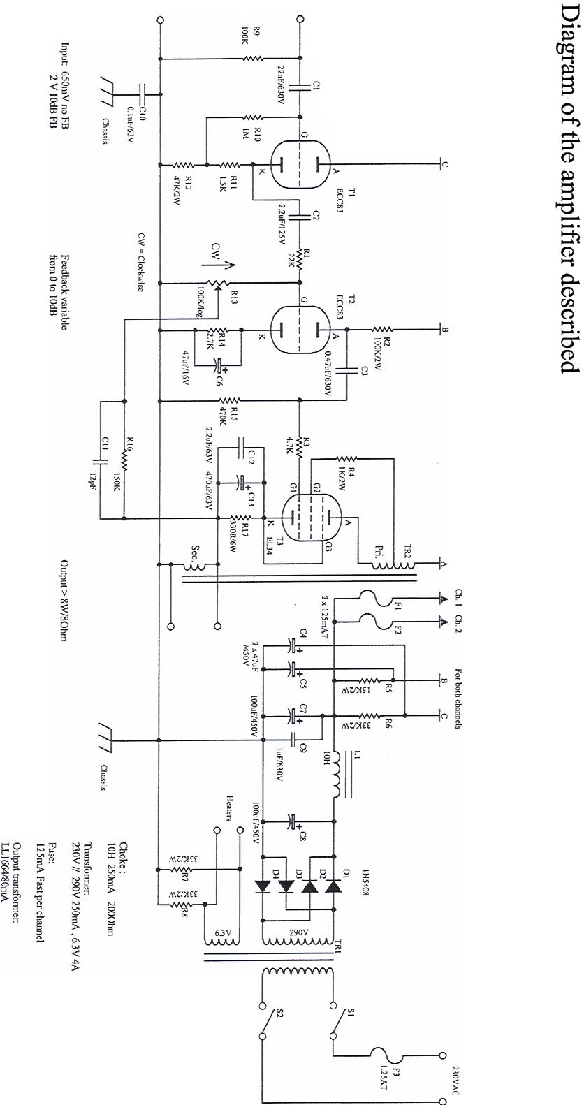
8 W Singe End, EL34 amplifier designed by Claus Byrith, Royal Academy of Music in Aarhus, Denmark

Claus Byrith is the head of the studio at the Royal Academy of Music in Aarhus. He has a life-long experience from different sound recording and reproduction equipment.

After reading Claus Byrith’s instruction for the 30W PP amplifier (found here) I was very suprised (but pleased) when Claus suggested that he could also write an article about building a SE amplifier. According to Claus, this amplifier is even easier to build than the PP ditto. Enjoy!
(Claus Byrith can be contacted directly through email address clausbyrith@gmail.com)

The instruction is separated in two parts:
Building instruction for 8W SE amplifier (pdf file, 624k)

and

Appendix (pdf file, 595k) 
with tube data sheets and some classic SE amplifier schematics with comments.

Schematic with a higher resolution for 8W SE amplifier (jpg file, 100k)

Transformers used in the above amplifier: 
Output transformer LL1664/80mA