
LL1527, one of our oldest audio transformer designs, is still in production and still very popular. Many sound engineers have a couple of LL1527 laying around to be used when problem arises. Frequently engineers tell us: “I had some hum in my system, but as soon as I installed one of your magic LL1527, the system was dead quiet…”
Due to an excellent bandwidth, a reasonably low copper resistance and a high signal level capability, the LL1527 can be used both in input and output applications with no sound degradation. The LL1527 will break up ground loops, convert balanced to unbalanced and unbalanced to balanced systems.
Balanced-to-unbalanced conversion
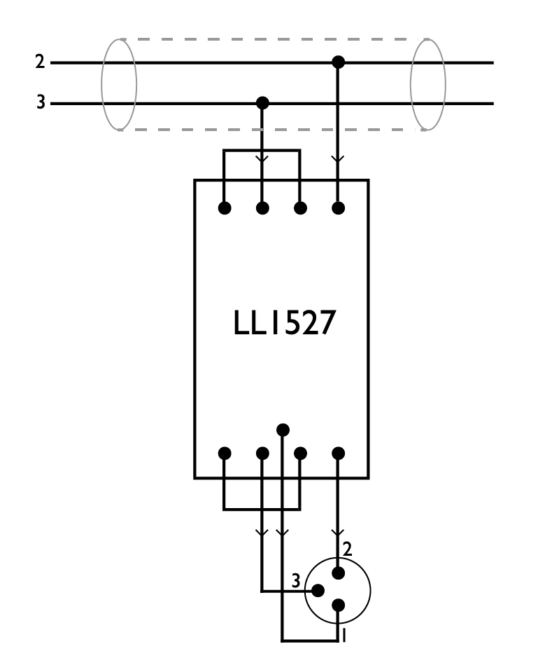
Unbalanced-to-balanced conversion
It is also suitable for splitting 1 direct + 1 isolated:

Splitting 1 direct + 1 isolated
Balanced-to-unbalanced conversion
Unbalanced-to-balanced conversion